Профессиональный взгляд
на детали вашего дома
8-(800)-301-24-21
+7 (383) 212-01-99
antik-group.pro
Продукция
  • Хранение
    • Корзины, короба для хранения
  • Дверная фурнитура
    Дверная фурнитура
    • Доводчики дверные      
      • Гидравлические доводчики
      • Пружинные доводчики
      • Пружины
    • Замки      
      • Замки врезные
      • Замки навесные
      • Замки накладные
      • Замки почтовые
      • Замки тросовые
    • Запорная и крепежная фурнитура      
      • Задвижки, засовы, щеколды
      • Кронштейны и заглушки для забора
      • Крючки ветровые, цепочки
      • Пробой-ушко, накладки
      • Шпингалеты, ригели
    • Защелки и задвижки врезные      
      • Защелки, задвижки и замки для межкомнатных дверей
      • Фиксаторы шариковые и роликовые
    • Механизмы цилиндровые
    • Петли дверные      
      • Петли гаражные (приварные)
      • Петли накладные
      • Петли-стрелы
    • Раздвижные системы      
      • Комплект роликов для раздвижных дверей
      • Направляющие и крепеж для раздвижных дверей
      • Ручки для раздвижных дверей
    • Ручки дверные      
      • Ручки на планке
      • Ручки раздельные, поворотные WC, накладки
      • Ручки-защелки (кнобы)
      • Ручки-кнопки (на винте)
      • Ручки-скобы дверные
    • Упоры дверные
    • Цифры и глазки
  • Мебельная фурнитура
    Мебельная фурнитура
    • Аксессуары для кухни      
      • Настольные аксессуары для кухни
      • Рейлинговые системы для кухни (D16)
    • Газовые лифты
    • Держатели зеркал и полок      
      • Зеркалодержатели
      • Полкодержатели
    • Замки мебельные, толкатель магнитный
    • Защелки мебельные магнитные
    • Крепеж мебельный
    • Крючки мебельные
    • Направляющие мебельные      
      • Направляющие роликовые
      • Направляющие шариковые
    • Опоры      
      • Труба для опоры
    • Петли мебельные      
      • Петли карточные
      • Петли мебельные классические
    • Посудосушители
    • Ручки мебельные      
      • Ручки врезные
      • Ручки торцевые
      • Ручки-кнопки
      • Ручки-рейлинги
      • Ручки-скобы
  • Аксессуары для ванной комнаты
    Аксессуары для ванной комнаты
    • Ведра
    • Ерши сантехнические
    • Зеркала
    • Карнизы и шторы для ванной      
      • Карнизы для ванны
      • Шторы для ванны
    • Ковры
    • Крючки, держатели для полотенец
    • Мыльницы, дозаторы
    • Настольные коллекции аксессуаров для ванной      
      • Настольные коллекции из керамики и известняк.смеси
      • Настольные коллекции из пластика, стекла, металла
      • Настольные коллекции из полирезины
    • Подвесные коллекции аксессуаров для ванной      
      • Аксессуары на присосках и самоклеющиеся
      • Инсталлируемые коллекции аксессуаров для ванной
    • Полки, этажерки      
      • Полки настенные
      • Этажерки
    • Поручни
    • Сиденья для унитаза
Новинки
  • Аксессуары для ванной комнаты
  • Дверная фурнитура
  • Мебельная фурнитура
Готовые решения
Блог
Акции
  • Аксессуары для ванной комнаты
  • Дверная фурнитура
  • Мебельная фурнитура
О компании
  • О компании
  • Бренды
  • Партнеры
Контакты
    Каталог
    По всему сайту
    По каталогу
    Поиск
    Войти
    0 Корзина
    antik-group.pro
    Продукция
    • Хранение
      • Корзины, короба для хранения
    • Дверная фурнитура
      Дверная фурнитура
      • Доводчики дверные      
        • Гидравлические доводчики
        • Пружинные доводчики
        • Пружины
      • Замки      
        • Замки врезные
        • Замки навесные
        • Замки накладные
        • Замки почтовые
        • Замки тросовые
      • Запорная и крепежная фурнитура      
        • Задвижки, засовы, щеколды
        • Кронштейны и заглушки для забора
        • Крючки ветровые, цепочки
        • Пробой-ушко, накладки
        • Шпингалеты, ригели
      • Защелки и задвижки врезные      
        • Защелки, задвижки и замки для межкомнатных дверей
        • Фиксаторы шариковые и роликовые
      • Механизмы цилиндровые
      • Петли дверные      
        • Петли гаражные (приварные)
        • Петли накладные
        • Петли-стрелы
      • Раздвижные системы      
        • Комплект роликов для раздвижных дверей
        • Направляющие и крепеж для раздвижных дверей
        • Ручки для раздвижных дверей
      • Ручки дверные      
        • Ручки на планке
        • Ручки раздельные, поворотные WC, накладки
        • Ручки-защелки (кнобы)
        • Ручки-кнопки (на винте)
        • Ручки-скобы дверные
      • Упоры дверные
      • Цифры и глазки
    • Мебельная фурнитура
      Мебельная фурнитура
      • Аксессуары для кухни      
        • Настольные аксессуары для кухни
        • Рейлинговые системы для кухни (D16)
      • Газовые лифты
      • Держатели зеркал и полок      
        • Зеркалодержатели
        • Полкодержатели
      • Замки мебельные, толкатель магнитный
      • Защелки мебельные магнитные
      • Крепеж мебельный
      • Крючки мебельные
      • Направляющие мебельные      
        • Направляющие роликовые
        • Направляющие шариковые
      • Опоры      
        • Труба для опоры
      • Петли мебельные      
        • Петли карточные
        • Петли мебельные классические
      • Посудосушители
      • Ручки мебельные      
        • Ручки врезные
        • Ручки торцевые
        • Ручки-кнопки
        • Ручки-рейлинги
        • Ручки-скобы
    • Аксессуары для ванной комнаты
      Аксессуары для ванной комнаты
      • Ведра
      • Ерши сантехнические
      • Зеркала
      • Карнизы и шторы для ванной      
        • Карнизы для ванны
        • Шторы для ванны
      • Ковры
      • Крючки, держатели для полотенец
      • Мыльницы, дозаторы
      • Настольные коллекции аксессуаров для ванной      
        • Настольные коллекции из керамики и известняк.смеси
        • Настольные коллекции из пластика, стекла, металла
        • Настольные коллекции из полирезины
      • Подвесные коллекции аксессуаров для ванной      
        • Аксессуары на присосках и самоклеющиеся
        • Инсталлируемые коллекции аксессуаров для ванной
      • Полки, этажерки      
        • Полки настенные
        • Этажерки
      • Поручни
      • Сиденья для унитаза
    Новинки
    • Аксессуары для ванной комнаты
    • Дверная фурнитура
    • Мебельная фурнитура
    Готовые решения
    Блог
    Акции
    • Аксессуары для ванной комнаты
    • Дверная фурнитура
    • Мебельная фурнитура
    О компании
    • О компании
    • Бренды
    • Партнеры
    Контакты
      Каталог
      По всему сайту
      По каталогу
      Поиск
      Войти
      0 Корзина
      antik-group.pro
      Телефоны
      8-(800)-301-24-21
      +7 (383) 212-01-99
      Email
      antic@trodos.net
      Адрес
      г. Новосибирск, ул. Спартака 12/1, оф 507
      Режим работы
      Пн - Пт: с 8:00 до 17:00
      0
      • Кабинет
      • 0 Корзина
      • Новинки
        • Новинки
        • Аксессуары для ванной комнаты
        • Дверная фурнитура
        • Мебельная фурнитура
      • Готовые решения
      • Блог
      • Акции
        • Акции
        • Аксессуары для ванной комнаты
        • Дверная фурнитура
        • Мебельная фурнитура
      • О компании
      • Контакты
      8-(800)-301-24-21
      +7 (383) 212-01-99
      • Телефоны
      • 8-(800)-301-24-21
      • +7 (383) 212-01-99
      • antic@trodos.net
      • г. Новосибирск, ул. Спартака 12/1, оф 507
      • Пн - Пт: с 8:00 до 17:00
      Главная
      Каталог
      Дверная фурнитура

      Дверная фурнитура

      928
      Доводчики дверные
      Доводчики дверные
      36 товаров
      Замки
      Замки
      126 товаров
      Запорная и крепежная фурнитура
      Запорная и крепежная фурнитура
      45 товаров
      Защелки и задвижки врезные
      Защелки и задвижки врезные
      105 товаров
      Механизмы цилиндровые
      Механизмы цилиндровые
      71 товар
      Петли дверные
      Петли дверные
      110 товаров
      Раздвижные системы
      Раздвижные системы
      17 товаров
      Ручки дверные
      Ручки дверные
      341 товар
      Упоры дверные
      Упоры дверные
      43 товара
      Цифры и глазки
      Цифры и глазки
      34 товара
      Сначала популярные
      С начала алфавита
      С конца алфавита
      Сначала непопулярные
      Сначала популярные
      Сначала недоступные
      Сначала доступные
      По свойству "Наличие в магазинах" (возрастание)
      По свойству "Наличие в магазинах" (убывание)
      Быстрый просмотр
      208134 Механизм цилиндровый Trodos ЦМ 70(35/35) латунь 5 ключей, хром, блистер Механизм цилиндровый Trodos ЦМ 70(35/35) латунь 5 ключей, хром, блистер Механизм цилиндровый Trodos ЦМ 70(35/35) латунь 5 ключей, хром, блистер
      цена по запросу
      Механизм цилиндровый Trodos ЦМ 70(35/35) латунь 5 ключей, хром, блистер
      Нет в наличии
      Арт. 209207
      цена по запросу
      Быстрый просмотр
      204729     _1 Ручка раздельная Trodos "47P" серия 08, никель/черный никель Ручка раздельная Trodos "47P" серия 08, никель/черный никель Ручка раздельная Trodos "47P" серия 08, никель/черный никель
      цена по запросу
      Ручка раздельная Trodos "47P" серия 08, никель/черный никель
      Нет в наличии
      Арт. 204729
      цена по запросу
      Быстрый просмотр
      208199, 208106 Механизм цилиндровый Trodos ЦМВП 70(35/35) сплав ЦАМ 5 ключей, золото Механизм цилиндровый Trodos ЦМВП 70(35/35) сплав ЦАМ 5 ключей, золото Механизм цилиндровый Trodos ЦМВП 70(35/35) сплав ЦАМ 5 ключей, золото
      цена по запросу
      Механизм цилиндровый Trodos ЦМВП 70(35/35) сплав ЦАМ 5 ключей, золото
      Нет в наличии
      Арт. 208106
      цена по запросу
      Быстрый просмотр
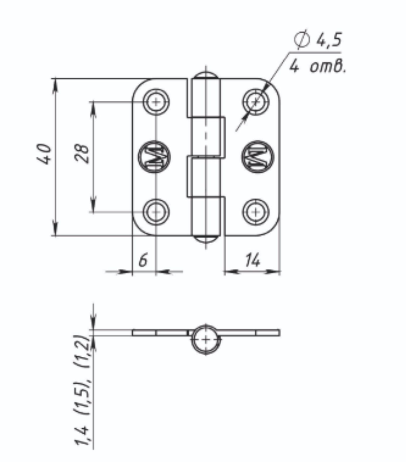
      611019 петля накладная ПН5-40 б/п, 2шт петля накладная ПН5-40 б/п, 2шт петля накладная ПН5-40 б/п, 2шт
      цена по запросу
      петля накладная ПН5-40 б/п, 2шт
      Нет в наличии
      Арт. 611019-3
      цена по запросу
      Быстрый просмотр
      272040 Доводчик дверной Trodos DC-100 до 100 кг,168х19, серый Доводчик дверной Trodos DC-100 до 100 кг,168х19, серый Доводчик дверной Trodos DC-100 до 100 кг,168х19, серый
      цена по запросу
      Доводчик дверной Trodos DC-100 до 100 кг,168х19, серый
      Нет в наличии
      Арт. 272040
      цена по запросу
      Быстрый просмотр
      206053 Защелка врезная Trodos 6-45 BL черный Защелка врезная Trodos 6-45 BL черный Защелка врезная Trodos 6-45 BL черный
      цена по запросу
      Защелка врезная Trodos 6-45 BL черный
      Нет в наличии
      Арт. 206053
      цена по запросу
      Быстрый просмотр
      205066 Упор дверной Trodos 502/Н24 никель Упор дверной Trodos 502/Н24 никель Упор дверной Trodos 502/Н24 никель
      цена по запросу
      Упор дверной Trodos 502/Н24 никель
      Нет в наличии
      Арт. 205066
      цена по запросу
      Быстрый просмотр
      206092 Упор дверной Trodos D75/Н75 черный Упор дверной Trodos D75/Н75 черный Упор дверной Trodos D75/Н75 черный
      цена по запросу
      Упор дверной Trodos D75/Н75 черный
      Нет в наличии
      Арт. 206092
      цена по запросу
      Быстрый просмотр
      208116 Механизм цилиндровый Trodos ЦМП 90(45/45) сплав ЦАМ 5 ключей, хром Механизм цилиндровый Trodos ЦМП 90(45/45) сплав ЦАМ 5 ключей, хром Механизм цилиндровый Trodos ЦМП 90(45/45) сплав ЦАМ 5 ключей, хром
      цена по запросу
      Механизм цилиндровый Trodos ЦМП 90(45/45) сплав ЦАМ 5 ключей, хром
      Нет в наличии
      Арт. 208116
      цена по запросу
      Быстрый просмотр
      204748 Ручка раздельная Trodos "572" серия 03 slim, графит Ручка раздельная Trodos "572" серия 03 slim, графит Ручка раздельная Trodos "572" серия 03 slim, графит
      цена по запросу
      Ручка раздельная Trodos "572" серия 03 slim, графит
      Нет в наличии
      Арт. 204748
      цена по запросу
      Быстрый просмотр
      201141 Петля накладная Trodos 125х75х2,5 BL без врезки, черный Петля накладная Trodos 125х75х2,5 BL без врезки, черный Петля накладная Trodos 125х75х2,5 BL без врезки, черный
      цена по запросу
      Петля накладная Trodos 125х75х2,5 BL без врезки, черный
      Нет в наличии
      Арт. 201141
      цена по запросу
      Быстрый просмотр
      210282 Замок навесной Vrata BC-НG36-38 чугун, серый Замок навесной Vrata BC-НG36-38 чугун, серый Замок навесной Vrata BC-НG36-38 чугун, серый
      цена по запросу
      Замок навесной Vrata BC-НG36-38 чугун, серый
      Нет в наличии
      Арт. 210285
      цена по запросу
      Быстрый просмотр
      204903 Ручка поворотная Trodos ВК-03 slim BL черный Ручка поворотная Trodos ВК-03 slim BL черный Ручка поворотная Trodos ВК-03 slim BL черный
      цена по запросу
      Ручка поворотная Trodos ВК-03 slim BL черный
      Нет в наличии
      Арт. 204903
      цена по запросу
      Быстрый просмотр
      208093 Механизм цилиндровый Trodos ЦМВ 80(40/40) сплав ЦАМ 5 ключей, хром Механизм цилиндровый Trodos ЦМВ 80(40/40) сплав ЦАМ 5 ключей, хром Механизм цилиндровый Trodos ЦМВ 80(40/40) сплав ЦАМ 5 ключей, хром
      цена по запросу
      Механизм цилиндровый Trodos ЦМВ 80(40/40) сплав ЦАМ 5 ключей, хром
      Нет в наличии
      Арт. 208093
      цена по запросу
      Быстрый просмотр
      204808 Ручка-защелка Vrata "ЗШ-01", хром Ручка-защелка Vrata "ЗШ-01", хром Ручка-защелка Vrata "ЗШ-01", хром
      цена по запросу
      Ручка-защелка Vrata "ЗШ-01", хром
      Нет в наличии
      Арт. 204808
      цена по запросу
      Быстрый просмотр
      204935 Ручка раздельная Trodos 809-03 slim BL черный Ручка раздельная Trodos 809-03 slim BL черный Ручка раздельная Trodos 809-03 slim BL черный
      цена по запросу
      Ручка раздельная Trodos 809-03 slim BL черный
      Нет в наличии
      Арт. 204935
      цена по запросу
      Быстрый просмотр
      206044 Защелка врезная Trodos 6-45 GR графит Защелка врезная Trodos 6-45 GR графит Защелка врезная Trodos 6-45 GR графит
      цена по запросу
      Защелка врезная Trodos 6-45 GR графит
      Нет в наличии
      Арт. 206044
      цена по запросу
      Быстрый просмотр
      204626     _1 Ручка поворотная Trodos BK-02 CP хром Ручка поворотная Trodos BK-02 CP хром Ручка поворотная Trodos BK-02 CP хром
      цена по запросу
      Ручка поворотная Trodos BK-02 CP хром
      Нет в наличии
      Арт. 204626
      цена по запросу
      Быстрый просмотр
      202037     _1 Корпус замка Trodos SD600-85ET/P CP пластик, хром Корпус замка Trodos SD600-85ET/P CP пластик, хром Корпус замка Trodos SD600-85ET/P CP пластик, хром
      цена по запросу
      Корпус замка Trodos SD600-85ET/P CP пластик, хром
      Нет в наличии
      Арт. 202037
      цена по запросу
      Быстрый просмотр
      205064 Шпингалет Trodos ZY-710/L80 CP хром Шпингалет Trodos ZY-710/L80 CP хром Шпингалет Trodos ZY-710/L80 CP хром
      цена по запросу
      Шпингалет Trodos ZY-710/L80 CP хром
      Нет в наличии
      Арт. 205064
      цена по запросу
      1 ... 41 42 43 44 45 46 47
      Категория
      • Дверная фурнитура
        • Доводчики дверные
          • Гидравлические доводчики
          • Пружинные доводчики
          • Пружины
        • Замки
          • Замки врезные
          • Замки навесные
          • Замки накладные
          • Замки почтовые
          • Замки тросовые
        • Запорная и крепежная фурнитура
          • Задвижки, засовы, щеколды
          • Кронштейны и заглушки для забора
          • Крючки ветровые, цепочки
          • Пробой-ушко, накладки
          • Шпингалеты, ригели
        • Защелки и задвижки врезные
          • Защелки, задвижки и замки для межкомнатных дверей
          • Фиксаторы шариковые и роликовые
        • Механизмы цилиндровые
        • Петли дверные
          • Петли гаражные (приварные)
          • Петли накладные
          • Петли-стрелы
        • Раздвижные системы
          • Комплект роликов для раздвижных дверей
          • Направляющие и крепеж для раздвижных дверей
          • Ручки для раздвижных дверей
        • Ручки дверные
          • Ручки на планке
          • Ручки раздельные, поворотные WC, накладки
          • Ручки-защелки (кнобы)
          • Ручки-кнопки (на винте)
          • Ручки-скобы дверные
        • Упоры дверные
        • Цифры и глазки
      Фильтр
      Цвет покрытия
      + Еще
      Материал изделия
      + Еще
      Фиксация в открытом положении
      Межосевое расстояние
      + Еще
      Бэксет
      + Еще
      Тип механизма секретности
      Ширина корпуса
      + Еще
      Автоматическое запирание
      Вес двери, кг
      + Еще
      Тип ключа
      Размер троса
      Серия
      + Еще
      Материал язычка
      Вид ручки
      Форма основания
      Наши предложения
      Выбрано 0 Показать0
      Показать 0
      Контакты
      8-(800)-301-24-21
      +7 (383) 212-01-99
      antic@trodos.net
      г. Новосибирск, ул. Спартака 12/1, оф 507
      Продукция
      Дверная фурнитура
      Мебельная фурнитура
      Аксессуары для ванной комнаты
      Готовые решения
      Каталоги
      О нас
      О компании
      Бренды
      Партнеры
      Информация
      Гарантия на товар
      Вопрос-ответ
      Соглашение на обработку персональных данных
      Публичная оферта
      Главная Продукция Бренды Контакты Компания